특정 시간 동안 전자기기가 연속적인 동작이 필요할 때 유용한 것은 바로 정확한 배터리 잔량 계산이다. 정확한 충전 상태를 계산하려면 정확한 쿨롱 카운팅, 전압, 전류, 온도가 전제조건이 되어야 한다.
우리 주위에서 보는 많은 배터리 사용 기기들이 현재 얼마만큼의 전력이나 사용 시간이 남아 있는지를 표시한다. 집안에서만 하더라도 이러한 많은 기기들에 둘러싸여 있다. 전기 면도기에서부터 태블릿에 이르기까지 온갖 기기들에서는 온갖 형태의 배터리 지시기를 사용하고 있다. 그럼으로써 사용자들이 기기들을 어떻게 사용할 것인지를 결정할 수 있다.

사용자들은 시간이 지나면서 각 기기의 정확도를 어느 정도 파악할 수 있게 되고, 가령 10%의 전력이 남았다고 하는 것과 같은 기기의 보고를 어느 정도 신뢰할 것인지를 알 수 있다. 고전력 다중셀 애플리케이션에서는 전력이 충분하지 않은 것으로 알게 됐을 때 심각한 상황이 될 수도 있다. 예를 들어 전기 자전거, 배터리 백업 시스템, 전동 공구, 의료용 장비 같은 경우를 들 수 있다.
여분의 배터리 팩이 항상 준비되어 있지 않을 수 있으며, 특정 시간 동안 연속적인 동작이 필요할 수 있다. 바로 이럴 때 유용한 것이 정확한 배터리 잔량 계산이다. 다시 말해서 특정 시점에 배터리 또는 배터리 팩이 얼마만큼의 전하를 가지고 있느냐를 계산하는 것이다.
배터리 잔량 계산은 지능적인 다중셀 배터리 시스템에서 충전, 보호, 셀 밸런싱 회로와 함께 흔히 사용되는 기능 중의 하나다. 이러한 어떤 기능이 됐든 배터리 시스템은 설계상의 고유의 까다로운 점이 있다. 배터리는 전기적 특성이 계속해서 변화하기 때문이다. 예를 들어 배터리의 최대 용량(건전도(State-Of-Health: SOH)라고도 함)과 자체 방전 비율은 시간이 지나면서 계속해서 낮아지며, 충전 및 방전 비율은 온도에 따라서 변화한다.
잘 설계된 배터리 시스템이란, 이와 같은 파라미터 변화를 계속적으로 반영함으로써 최종 사용자에게 일관되게 정확한 배터리 성능 지표를 제공하는 것을 말한다. 이러한 지표들로는 충전 시간, 계산된 전력, 예상되는 배터리 수명(가능한 충전 횟수)을 포함한다.
단순하게 말해서 정확한 배터리 잔량 계산을 위해서는 배터리 잔량 계산 IC와 특정 배터리에 따른 모델을 필요로 한다. 그럼으로써 배터리 잔량 계산으로 궁극적으로 얻고자 하는 바로 그 파라미터를 제공할 수 있다. 그것은 바로 충전 상태(State-Of-Charge: SOC)다. 이것은 최대 용량에 대한 현재 배터리 용량을 백분율로 나타낸 것이다.
현재 시장에서는 곧바로 SOC 계산을 할 수 있도록 배터리 모델 및 알고리즘을 통합한 배터리 잔량 계산 솔루션들이 등장해 있으나, 속을 들여다보면 이러한 디바이스들은 SOC 계산을 과도하게 단순화해 정확도를 심각하게 떨어트리고 있다는 것을 알 수 있다. 뿐만 아니라 이들 디바이스는 특정한 배터리 소재에 대해서만 설계됨으로써 고전압으로 인터페이스하기 위해서는 추가적인 외부 부품을 필요로 한다. 최근 리니어 테크놀로지를 인수한 아나로그디바이스의 LTC2944(그림 1)는 간소화된 60V 배터리 잔량 계산 IC로서, 정확한 단일 또는 다중셀 배터리 잔량 계산을 위한 모든 기본적인 요소들을 제공한다.

쿨롱 카운팅의 사용
최근의 연구들에서는 정확한 SOC 계산을 위해서는 정확한 쿨롱 카운팅, 전압, 전류, 온도가 전제조건이 되어야 한다는 것을 알 수 있다. 현재로서는 이 계산이 최소 5% 오차를 나타내고 있다. 이들 파라미터들을 사용함으로써 충전 또는 방전 곡선을 따라서 배터리가 현재 어느 지점에 있는지를 정확히 짚어낼 수 있다. 쿨롱 카운팅을 사용함으로써 전압 리딩을 보강할 수 있을 뿐만 아니라 곡선 상의 밋밋한 부분들을 구분할 수 있다.
〈그림 2〉는 각각 다른 배터리 소재의 통상적인 방전 곡선을 보여준다. 쿨롱 카운팅을 사용함으로써 어떤 기기가 내내 75% SOC라고 하다 갑자기 15% SOC로 뚝 떨어지는 상황을 피할 수 있다. SOC를 계산하기 위해서 전압만 측정하는 기기의 경우에 이런 일이 일어날 수 있다. 쿨롱 카운팅을 하기 위해서는 쿨롱 카운터를 배터리가 최대로 충전됐을 때의 알려진 배터리 용량으로 초기화하고, 그런 다음 쿨롱을 방전할 때는 카운트를 낮추고 쿨롱을 충전할 때는(부분 충전 반영) 카운트를 높인다.
이 기법의 미덕은 배터리 소재를 알 필요가 없다는 것이다. LTC2944는 쿨롱 카운터를 통합하고 있으므로 이 디바이스를 배터리 소재에 상관 없이 다중의 디자인으로 손쉽게 복사해서 붙여넣기 할 수 있다.
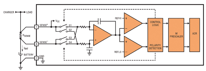
그러면 LTC2944가 어떻게 쿨롱을 카운트하는지 보자(그림 3). 알다시피 전하는 전류의 시간 적분이다. LTC2944는 ±50 mV 검출 전압 범위로 검출 저항 상에서 구축된 전압을 모니터링함으로써 전하를 최대 99% 정확도로 측정한다. 오토 제로 차동 아날로그 적분기로 차동 전압을 인가해서 전하를 도출한다.
적분기 출력이 하이(High) 및 로우(Low) 레퍼런스 레벨(REFHI 및 REFLO)에 도달하면 스위치가 토글해서 경사 방향을 반전시킨다. 그런 다음 제어 회로가 스위치 조건과 경사 방향을 관찰해서 극성을 결정한다. 그 다음에는 프로그래머블 프리스케일러를 사용해서 사용자가 적분 시간을 1에서부터 4096까지로 늘릴 수 있다. 프리스케일러가 언더플로우나 오버플로우를 할 때마다 최종적으로 누적 전하 레지스터(ACR)가 한 카운트씩 늘거나 준다.

또 하나 주목할 만한 점은 LTC2944의 쿨롱 카운터에 사용되는 아날로그 적분기는 최소한의 차동 오프셋 전압을 발생시킨다는 것이다. 그러므로 총 전하 오차에 미치는 영향을 최소화한다. 많은 쿨롱 카운팅 배터리 잔량 계산 디바이스는 검출 저항 상의 전압을 아날로그-디지털 변환을 하고 변환 결과를 누적해서 전하를 도출한다.
이러한 경우에 차동 오프셋 전압이 주된 오차 요인이 될 수 있다. 특히 소신호 리딩의 경우에 그렇다. 예를 들어서 ADC 기반 쿨롱 카운터를 사용하고 최대 정격 차동 전압 오프셋이 20 μV인 배터리 잔량 계산 디바이스를 사용해서 1 mV 입력 신호를 디지털적으로 적분한다고 하자. 그러면 오프셋으로 인한 전하 오차는 2%가 될 것이다. 이와 비교해서 LTC2944의 아날로그 적분기를 사용하면 오프셋으로 인한 전하 오차가 단 0.04% 밖에 되지 않는다. 그러므로 50배나 더 작은 것이다.
기초로 돌아가다 - 전압, 전류, 온도
쿨롱 카운팅이 하는 일은 전압 리딩을 보강하고 충전 및 방전 곡선 상의 밋밋한 부분들을 구분하기 위한 것이라면, 전류와 온도는 출발점으로 삼기 위한 가장 적당한 곡선을 가져오기 위한 파라미터들이다. 배터리의 단자 전압(부하로 연결되어 있을 때의 전압)은 배터리 전류와 온도에 의해서 중대하게 영향을 받는다.
그러므로 온도에 대해서 배터리 전류와 개방 회로 전압(부하로부터 차단되어 있을 때의 전압)에 비례하게 교정 항을 사용해서 전압 리딩을 보정해야 한다. 순전히 개방 회로 전압을 측정하기 위한 목적에서 작동 중에 부하로부터 배터리를 차단하는 것은 실제적이지 않으므로, 최소한 전류와 온도 프로파일에 대해서 단자 전압 리딩을 조정하는 것이 좋은 방법이다.
높은 SOC 정확도를 달성하는 것이 궁극적인 설계 목표이므로 LTC2944는 14비트 무지연시간 ΔΣ™ ADC를 사용해서 전압, 전류, 온도를 각각 최대 1.3% 및 ±3℃ 보장 정확도로 측정한다. 실제로는 LTC2944의 성능이 이보다 훨씬 우수하다. 〈그림 4〉의 그래프들은 LTC2944의 정확도 지수들이 온도와 전압에 따라서 어떻게 변화하는지 보여준다. 〈그림 4a〉에서는 전압을 측정할 때 ADC 총 비조정 오차가 ±0.5% 이내이며 검출 전압에 걸쳐서 꽤 일정하다는 것을 알 수 있다. 마찬가지로 〈그림 4b〉에서는 전류를 측정할 때 ADC 이득 오차가 온도에 걸쳐서 ±0.5% 이내라는 것을 알 수 있다. 마지막으로 〈그림 4c〉에서는 특정 검출 전압으로 온도에 따라서 온도 오차가 약 ±1℃ 밖에 변화하지 않는다는 것을 알 수 있다. 이러한 정확도 지수들이 모두 합쳐지면 쉽게 SOC 정확도를 향상시킬 수 있다. 그러므로 어떠한 배터리 잔량 계산 디바이스가 많은 사양들 중에서도 전압, 전류, 온도를 얼마나 정확하게 측정하느냐가 중요한 것이다.
LTC2944는 전압, 전류, 온도를 측정할 때 4가지 ADC 동작 모드를 제공한다. 자동 모드(Automatic Mode)는 계속해서 매 2밀리초마다 ADC 변환을 실시하고, 스캔 모드(Scan Mode)는 매 10초마다 변환을 하고 슬립 상태가 된다. 매뉴얼 모드(Manual Mode)는 명령이 있을 때 단일의 변환을 실시하고 슬립 상태가 된다.
디바이스가 슬립 모드가 되면 정지 전류는 80 μA로 최소화된다. LTC2944의 전체적인 아날로그 섹션을 완전히 셧다운하면 정지 전류를 15 μA로 더더욱 낮출수 있다. 사용자가 최종적으로 알고자 하는 것은 배터리 잔량인데, 역설적이게도 이 일을 하느라고 많은 배터리 전력을 소모할 수 있기 때문이다.
편리한 인터페이싱
사용자는 LTC2944로부터 디지털 I2C 인터페이스를 통해서 배터리 전하, 전압, 전류, 온도를 읽어낼 수 있다. 또한 I2C를 통해서 16비트 레지스터들을 구성함으로써 각 파라미터에 대해서 상태를 읽고, 온/오프를 제어하고, 하이(High) 및 로우(Low) 임계값을 설정할 수 있다. 이와 같은 경고 시스템을 사용함에 따라 지속적인 소프트웨어 폴링을 할 필요가 없게 되고 이로 인해 I2C 버스와 호스트를 다른 일을 하는 데 사용할 수 있다.
또한 ALCC 핀을 SMBus 경고 출력으로 사용하거나 충전 완료 입력으로서 배터리 충전 회로의 충전 완료 출력으로 연결할 수 있다. 그렇다면 혹자는 이렇게 물을 수도 있을 것이다. 이러한 모든 디지털 기능을 통합하였으면서 “어째서 배터리 프로파일이나 용량/SOC 계산 알고리즘은 LTC2944로 통합하지 않았는가?” 이에 대한 대답은 간단하다. 모든 것은 정확도 때문이다.
배터리 프로파일과 알고리즘을 통합한 배터리 잔량 계산 디바이스는 디자인을 간소화할 수 있으나, 많은 경우에 실제 배터리 동작과 관련해 모델이 부적절하거나 해당되지 않음으로써 SOC 정확도를 떨어트린다. 예를 들면 알 수 없는 소스를 사용해서 생성됐거나 또는 알 수 없는 온도 범위로 되어 있는 총칭적인 충전 및 방전 프로파일을 사용해야 할 수 있다.
그러면 정확한 배터리 소재를 지원하지 않을 수 있으므로, 이 점이 SOC 정확도를 떨어트릴 수 있다. 정확한 배터리 모델링을 위해서는 다수의 변수들을 고려해야 하며 꽤 복잡할 수 있다. 그러므로 사용자들이 최대의 SOC 정확도를 달성하고자 한다면 내부적으로 통합된 부정확한 총칭적 모델을 사용하기보다는 소프트웨어로 자체적인 배터리를 모델링하는 편이 타당할 수 있다.
또한 이와 같이 내부적으로 통합된 모델은 배터리 잔량 계산의 유연성을 떨어트리고 다른 디자인에 재사용하는 것을 어렵게 만든다. 달리 말해서 소프트웨어는 하드웨어보다 변경이 훨씬 더 용이하다. 특정한 애플리케이션 코드를 변경하는 것이 배터리 잔량 계산 디바이스를 교체하고 구성하는 것보다 훨씬 더 쉬운 일이다.
모든 기본적인 배터리 측정 파라미터들을 극히 편리한 I2C 인터페이스를 통해서 견줄 수 없는 정확도로 제공한다는 점 이외에도, LTC2944를 시장의 다른 배터리 잔량 계산 디바이스들로부터 돋보이게 하는 또 다른 중요한 차별화는 고전압이 가능하다는 것이다. LTC2944는 작게는 3.6V 배터리에서부터 최대 60V에 이르는 배터리 스택을 사용해서 곧바로 구동할 수 있다.
그러므로 저전력 휴대 전자기기에서부터 전력 소모가 큰 전기차에 이르기까지 어떤 애플리케이션이든 지원할 수 있다. 그러므로 전원이나 측정 핀에 추가적인 레벨 쉬프트 회로가 필요하지 않게 되어 디자인을 복잡하게 하는 일이 없이, 배터리(또는 배터리 스택)와 LTC2944를 직접 연결할 수 있으며, 하드웨어 디자인을 대폭적으로 간소화할 수 있다. 외부 부품 수를 최소화하므로 전반적인 전력 소모를 낮추며, 저항 분할기 같은 소자들이 존재하지 않으므로 정확도를 높인다.
맺음말
배터리 잔량 계산을 하는 것은 거의 예술에 가까운 일이다. 다수의 상호종속적인 파라미터들이 SOC에 영향을 미치기 때문이다. 이 분야 전문가들의 일치된 의견은, 정확한 쿨롱 카운팅과 전압, 전류, 온도 리딩을 결합하는 것이 SOC를 계산하기 위한 가장 정확한 방법이라는 것이다.
LTC2944 배터리 잔량 계산 디바이스는 이와 같은 모든 기본적인 측정을 제공하며 일부러 내부적 배터리 모델링을 배제함으로써 사용자들이 특정 애플리케이션용의 소프트웨어로 적합한 자체적인 프로파일과 알고리즘을 구현할 수 있다. 또한 I2C를 통해서 측정 및 구성 레지스터를 편리하게 액세스할 수 있으며, LTC2944에 직접적으로 최대 60V 다중셀 연결을 할 수 있다. 그러므로 어떤 수의 배터리이든 그리고 또 어떤 배터리 소재이든 배터리 잔량 계산을 그 어느 때보다 쉽게, 그리고 또 더 중요한 점으로서, 그 어느 때보다 정확하게 할 수 있게 됐다.
<저작권자(c)스마트앤컴퍼니. 무단전재-재배포금지>
다운로드한 PDF문서를 웹사이트, 카페, 블로그등을 통해 재배포하는 것을 금합니다. (비상업적 용도 포함)








